10 января 2024 /
0 комментариев
/
22 просмотра
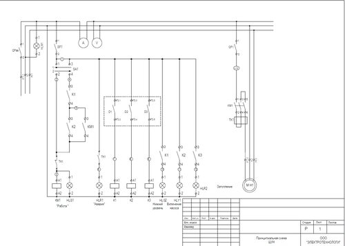
Принципиальная схема шкафа автоматики - это ключевой элемент в управлении автоматизированными системами в строительстве. Этот шкаф содержит важные компоненты, необходимые для автоматизации различных процессов.

1

2

3

4

5
Шун1 шкаф управления Шун

6

7

8

9

10

11

12

13

14

15

16

17

18

19

20

21

22

23

24

25

26

27

28

29

30

31

32

33

34

35

36

37

38

39

40

41

42

43

44

45

46

47
.gif)
48

49

50

51

52

53

54

55

56
Монтажный чертеж электрошкафа

57

58

59

60

61
Сборочный чертеж распределительного щита

62

63

64

65

66

67

68

69

70

71

72

73

74

75

76

77

78

79
Шкаф управления электрообогревом кровли Шун-ПК-132/216-13п41

80

81

82

83

84

85

86

87

88

89

90

91

92

93

94

95

96

97

98

99

100
Шкаф управления вытяжным вентилятором

101

102

103

104

105

106

107

108

109

110

111
Внутреннее устройство
Внутри шкафа автоматики находятся различные модули, соединенные проводами и кабелями. Эти модули выполняют различные функции, такие как контроль, защита, и управление различными устройствами на строительной площадке.