2 января 2024 /
0 комментариев
/
26 просмотров
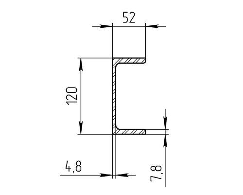
Швеллер 16 — это тип профиля, который широко используется в строительстве и металлообработке. Одним из важных параметров швеллера является высота его полки, которая определяет его применение и характеристики.

1

2

3

4

5

6

7

8

9

10

11

12

13

14

15

16

17

18

19

20

21

22

23

24

25

26
Сортамент швеллеров таблица

27

28

29

30

31

32

33

34
Двутавр 35ш1 толщина

35
Балка двутавровая 12 б1

36
Таблица сортамента для двутавровой балки

37

38
Таблица размеров двутавровых балок металлических

39

40
Балка двутавровая 30 сортамент

41

42

43

44
Отверстия в швеллерах по ГОСТ 8240 72

45
Двутавры ГОСТ Р 57837-2017

46
Двутавр 20 длина балки

47

48

49

50

51

52
Чертеж балки двутавр 24м

53
54
55

56
Балка 40б1 характеристики двутавровая

57

58
Обозначение швеллера в спецификации по ГОСТ

59

60
10дк0 двутавр

61

62

63

64

65

66

67

68
Балка двутавровая 30 ш1

69

70

71
72
Характеристики швеллера 16 с различной высотой полки
Рассмотрим основные характеристики швеллера 16 с различной высотой полки и их применение в строительстве, металлообработке и других отраслях.